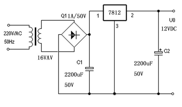
用7812制作一个正12V的直流稳压电源
的有关信息介绍如下:1、首先使用变压器,将220V的电压降到合适值。

2、再通过整流电路,将正弦波变为较为稳定的直流电压。

3、通过滤波及稳压电路,将整流过后的电压进行滤波稳压,最终得到满足要求的直流电源。

参考资料:百度百科 直流稳压电源
拓展资料:
能为负载提供稳定直流电源的电子装置。直流稳压电源的供电电源大都是交流电源,当交流供电电源的电压或负载电阻变化时,稳压器的直流输出电压都会保持稳定。 直流稳压电源随着电子设备向高精度、高稳定性和高可靠性的方向发展,对电子设备的供电电源提出了高的要求。
1.输出电压值能够在额定输出电压值以下任意设定和正常工作。
2.输出电流的稳流值能在额定输出电流值以下任意设定和正常工作。
3.直流稳压电源的稳压与稳流状态能够自动转换并有相应的状态指示。
4.对于输出的电压值和电流值要求精确的显示和识别。
5.对于输出电压值和电流值有精准要求的直流稳压电源,一般要用多圈电位器和电压电流微调电位器,或者直接数字输入。
6.要有完善的保护电路。直流稳压电源在输出端发生短路及异常工作状态时不应损坏,在异常情况消除后能立即正常工作。



